安徽优优反光材料有限公司建筑物、土地和附属工程
拍卖公告
中国拍卖行业AA企业
(滁州市人民政府指定公物拍卖机构)
受安徽优优反光材料有限公司管理人委托,我公司定于2019年5月21日下午15:00在凤阳县凤凰路310号凤网电子商务中心大厦会议室对以下标的进行公开拍卖:
一、 拍卖标的:
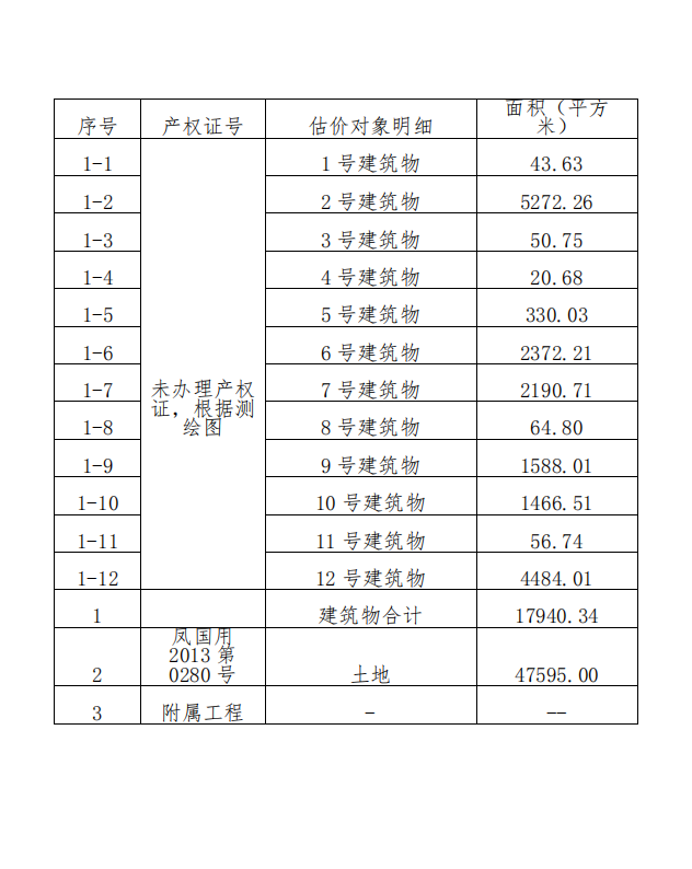
安徽优优反光材料有限公司建筑物、土地和附属工程,起拍价:1190万元(有保留价,未达到保留价不成交)。拍卖标的物现位于安徽优优反光材料有限公司厂区内,主要分为建筑物、土地和附属工程。建筑物主要为企业办公楼和生产厂房,总面积约为17940.34平方米,具体面积以实际现状为准。拍卖土地的土地证号为凤国用2013第0280号,土地面积为47595平方米,约为71.4亩,具体面积以证载为准。附属工程主要为门卫室、厕所等无证建筑。拍卖标的物具体情况请参见附件:拍卖标的物明细表。
拍品详情介绍仅供参考,拍卖标的物实际状况,以竞买人现场实地看样为准,拍卖成交后交付以实物现状为准。
在拍卖竞价前,竞买人请务必再仔细阅读拍卖人发布的《拍卖规则和须知》及《特别告知》。
二、 登记、预展: 公告日~ 拍卖日,在标的物所在地 。
三、拍卖公司咨询电话:余女士0550-3525099、18155011266。
四、咨询地点:安徽省滁州市凤阳县府城镇长安街536号、滁州市丰乐大道475号财富国际办公楼408室。
五、注意事项:
1、竞买人须是具有完全民事行为能力的自然人和中国境内合法存续的法人或其他组织。
2、竞买人凭有效证件并按照规定交付120万元竞买保证金,办理竞买登记手续后方可参加竞拍。凡参加竞买者须于2019年5月20日下午17:00之前通过本单位(本人)账户向以下指定账户转账汇入竞买保证金(户名:安徽优优反光材料有限公司管理人,开户银行:安徽凤阳利民村镇银行有限责任公司中都支行,账号:20000620687610300000114)。
3、竞买人须在拍卖会开始前半小时凭有效证件原件和复印件及竞买保证金缴纳凭证原件和复印件一式三份办理报名参拍登记手续。
4、凡发现拍卖活动中有违规行为,可如实举报。
举报监督电话:0550-3213532(滁州市中级人民法院)、
0550-6363119(凤阳县人民法院)
破产案件法院承办人电话:王法官 0550-6363135
破产管理人联系人电话:符先生18055000622
六、公司网址:http://www.ahxsjpm.com/
安徽新世纪拍卖有限公司
2019年5月5日
